quarta-feira, 6 de julho de 2016
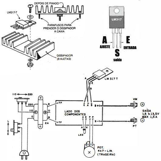
Fonte Variável 1,5 a 13,5V.
Eu colocaria um trafo de pelo menos 12+0+12 Volts e um diodo ligado inversamente no LM sendo anodo no E e katodo no S.
Postagens mais recentes
Postagens mais antigas
Página inicial
Assinar:
Comentários (Atom)